TIKTOK色板免费网站IOS傳感器-S型傳感器介紹
壓力傳感器作為TIKTOK色板免费网站IOS核心部件,對TIKTOK色板免费网站IOS有著舉足輕重作用。今天TIKTOK色情版下载就來詳細介紹一下,單柱TIKTOK色板免费网站IOS用得比較多的S型傳感器。希望對大家更好地了解熟悉TIKTOK色板免费网站IOS。
S型稱重傳感器,器如其名,S型傳感器。這種傳感器具有拉壓兩用的功能。拉力和壓力兩者都能測量。在很多工業自動化設備上能夠得到廣泛的應用。S型稱重傳感器體積一般較小,量程也不是特別大,100KG到500KG之間是比較比較常見的。這種傳感器的主材是合金鋼,性價比讓這種傳感器在市場受到大部分客戶群體青睞。S型稱重傳感器其抗偏載能力方麵,在眾多傳感器當中也是名列前茅的。他的優勢是精度高,測量範圍好,安裝方便。
1、TIKTOK色板免费网站IOSS型傳感器技術參數:額定載荷:50kg、100kg、150kg、200kg、250kg、300kg、500kg、750kg;
1T、2T、3T、5T、7、5T;
綜合精度:0.02 (線性+滯後+重複性)
靈敏度:2.0±0.003mV/V
線性誤差:±0.03%F.S
滯後誤差:±0.03%F.S
蠕變(30分鍾):±0.03%F.S
零點溫度影響:±0.02%F.S/10℃
靈敏度溫度影響:±0.02%F·S/10℃
工作溫度 : -20℃~+65℃
輸入阻抗:400±20 Ω
輸出阻抗: 352±5 Ω
絕緣電阻: >5000 MΩ
安全過載: 150% F·S
破壞過載:200% F.S
額定激勵電壓:10-12V
材質 :合金鋼或不鏽鋼
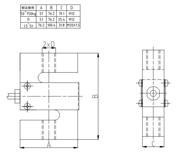
2、拉力機S型傳感器產品尺寸:
3、TIKTOK色板免费网站IOSS型傳感器的連接方式:

