TIKTOK色情版下载,TIKTOK色板免费网站IOS,TIKTOK黄APP下载,TIKTOK国际版色板黄轻量版

      歡迎訪問蘇州TIKTOK色情版下载測控有限公司
      當前位置:TIKTOK色板免费网站IOS > 技術文檔

      十字接頭與搭接接頭TIKTOK黄APP下载拉伸試驗

      作者:TIKTOK色板免费网站IOS    來源:www.kztest.com.cn   發布時間:

          針對金屬板材的十字接頭盒搭接接頭,國標GB/T26957-2011規定了帶有橫向應力角焊縫焊接接頭拉伸試驗的程序和試樣尺寸要求,測定抗拉強度與斷裂位置,使用TIKTOK黄APP下载完成測試。

      一、十字接頭與搭接接頭TIKTOK黄APP下载拉伸試驗原理:
      試驗設備:KZ拉力TIKTOK黄APP下载
      原理:對焊接接頭試樣連續施加拉伸力直至破斷。
      除非另有規定,試驗溫度一般在常溫下進行。
      除非另有規定,拉伸試驗按GB/T228進行。
      試樣的截取,不得影響到試樣性能變化。
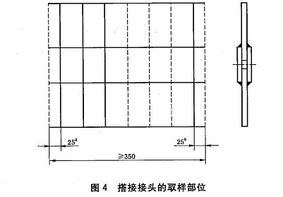
      二、十字接頭與搭接接頭取樣部位

       

       


        

       

      上一篇:汽車安全帶抗拉載荷試驗 下一篇:彈性元件和接插件用銅帶力學性能TIKTOK色板免费网站IOS測試
      相關新聞
      相關推薦
      網站地圖